>_
FPGA VHDL
Pour Tous
Tableau de bord
Challenges
Classement
Progression
Certification
Premium
EN
Chargement…
Accueil
/
Exercices
/
HW → SW
/
Avancé
/
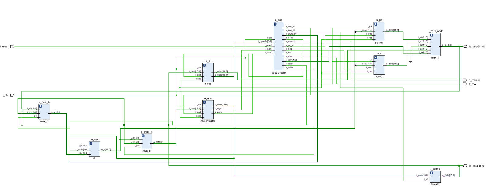
mu0 — Assemblage du top-level
mu0 — Assemblage du top-level
Avancé
Télécharger
Simuler (GHDL)
Se connecter →
00:00
Reset
Instructions
Indices
Composants
Récompenses
Résultats
Molette: zoom
mu0.vhd
← Liste des exercices